Reglamento Delegado (UE) 2015/68 de la Comisión, de 15 de octubre de 2014, que complementa el Reglamento (UE) nº 167/2013 del Parlamento Europeo y del Consejo en lo relativo a los requisitos de frenado de vehículos para la homologación de vehículos agrícolas y forestales

Ficha:
  • ÓrganoCOMISION EUROPEA
  • Publicado en DOUEL núm. 17 de 23 de Enero de 2015
  • Vigencia desde 12 de Febrero de 2015. Revisión vigente desde 15 de Junio de 2025
Versiones/revisiones:
(1)

DO L 60 de 2.3.2013, p. 1.

Ver Texto
(2)

Directiva 76/432/CEE del Consejo, de 6 de abril de 1976, relativa a la aproximación de las legislaciones de los Estados miembros sobre el frenado de los tractores agrícolas o forestales de ruedas (DO L 122 de 8.5.1976, p. 1).

Ver Texto
(3)

Decisión 97/836/CE del Consejo, de 27 de noviembre de 1997, relativa a la adhesión de la Comunidad Europea al Acuerdo de la Comisión Económica para Europa de las Naciones Unidas sobre la adopción de prescripciones técnicas uniformes aplicables a los vehículos de ruedas y los equipos y piezas que puedan montarse o utilizarse en estos, y sobre las condiciones de reconocimiento recíproco de las homologaciones concedidas conforme a dichas prescripciones (Acuerdo revisado de 1958) (DO L 346 de 17.12.1997, p. 78).

Ver Texto
(4)

Reglamento Delegado (UE) 2015/208 de la Comisión, de 8 de diciembre de 2014, que complementa el Reglamento (UE) n.º 167/2013 del Parlamento Europeo y del Consejo por lo que respecta a los requisitos de seguridad funcional de los vehículos para la homologación de vehículos agrícolas y forestales (DO L 42 de 17.2.2015, p. 1).

Ver Texto
(5)

Reglamento de Ejecución (UE) 2015/504 de la Comisión, de 11 de marzo de 2015, relativo a la ejecución del Reglamento (UE) n.º 167/2013 del Parlamento Europeo y del Consejo en lo que se refiere a los requisitos administrativos para la homologación y la vigilancia del mercado de los vehículos agrícolas y forestales (DO L 85 de 28.3.2015, p. 1).

Ver Texto
(6)

Si procede

Ver Texto
(7)

No hace falta ensayo si el fabricante puede demostrar que el cambio no afecta a la rigidez.

Ver Texto
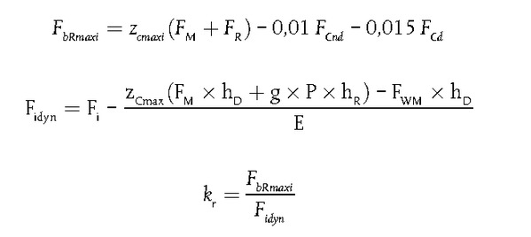
(8)

Los puntos 2.3.1.0, 2.3.11 y 2.3.12 solo se aplican al método de cálculo del recorrido diferencial del sistema de frenado de estacionamiento

Ver Texto
(9)

FMnd y FMd en el caso de vehículos de motor de dos ejes: estos símbolos podrán simplificarse con los símbolos Fi correspondientes.

Ver Texto
(10)

Esta especificación de vehículo está prohibida según el punto 2.1.4.1.3. del anexo I.

Ver Texto
(11)

Opcional en los tractores con conductos de control eléctricos y neumáticos cuando el conducto de control neumático cumple los requisitos pertinentes relativos al frenado de socorro.

Ver Texto